|
Black Crow
#05
01 февраля 2001 |
|
Очумелые ручки - Телемастеру: техническое меню телевизоров.

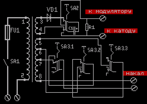
ТЕХНИЧЕСКОЕ МЕНЮ ТЕЛЕВИЗОРОВ from internet ----------------------------------------- Некоторые буржуйские телевизоры имеют в себе своего рода миникомпьютер, глюки в работе которого могут привести к блокиро- ванию некоторых узлов телевизора. Не имея под рукой никакой "секретной" информации, которая позволит в домашних условиях про- верить или перенастроить телевизор, поль- зователи были вынуждены обращаться в спе- циализированные ремонтные центры. Теперь не стоит тратиться на ремонты или наладку вашего телевизора! Но предупреждаю - инфа не проверена ввиду отсутствия под рукой подавляющего числа нижеперечисленных ап- паратов;) Особое внимание следует уделить тем рекомендациям, в которых надо перемы- кать что-либо на плате телевизора!!! Если что-то угробите в своём TV - не говорите, что я вас не предупреждал... * AIWA TV-С142, TV-A215 Вход: нажать на скрытую кнопку на пульте, расположеную между кнопками 8 и SYSTEM (под фальшпанелью). Выход: аналогично входу. ----- * AIWA 1402, 2002КЕ, 2102КЕ Нажать расположенную на плате кнопку од- новременно с кнопкой ВЫЗОВ на пульте те- левизора. ----- * AKAI СТ-2119PDPDT, U2ЕУ2Y2Е Вход в режим TEST MOD - на телевизоре на- жать кнопки + и -, удерживая их включить телевизор. Выход: нажать кнопку POWER. ----- * ВЕКО Вход: на передней панели нажать одновре- менно две кнопки переключения каналов и включить телевизор сетевым тумблером. Это позволит выбрать язык меню. ----- * FUNAI-2100A МК10 HYPER Для установки телевизора в сервис режим необходимо на плате закоротить тестовую точку ТР с меткой "FACTORY MODE" до тех пор, пока на экране не появится красная F ----- * GOLDSTAR CF-25/29 С26,С36,С76 (шасси МС-51В) Вход: одновременно нажать MENY, --VOL, -- PR на панели., ОК - запомнить изменения. Для перехода на регулировку баланса бело- го: =i -для GG, =? -для RG, =х - для BG. Выход: off на ДУ. ----- * GOLDSTAR CF-2529С44 Нажмите длительно кнопку ОК на плате Control board и желтую кнопку на пульте. ----- * GRUNDIG Р 37-065 Вход: 1. Выключить сетевой кнопкой. 2. Удерживая на пульте ДУ (ТР 711) кнопку "i" - включить сеть. 3. Кнопку "i" держать до получения серви- са. Выход: выключить сеть. ----- * GRUNDIG CUC1825 , CUC1826 Вход: Нажать на клавишу "i" и кнопку ОК. ----- * HITACHI С2578FS, С2589FS, СМТ2578 CHASSIS V1 Вход: на передней панели телевизора наж- мите кнопку TVVideo и удерживая ее вклю- чите телевизор. ----- * JVC AV-29PRO Вход: 1. Установить значение громкости на 04. 2. На ДУ - DISPLAY и MENY. Выход: off - питание. ----- * JVC -21ТЕ, G21Т, G250MX Вход: одновременно нажать на ДУ "display" и "picture mode" 2 раза. off timer - за- помнить. Выход: дважды нажать MUTE. ----- * JVC-С21ZE (21ТЕ,1ЧТЕ,21МЕ,1ЧМЕ,14W) G21Т G21ОТ G25MX Вход в меню: [DYSPLAY]+[PICTURE MODE] SERVICE MENU 1.VSM PRESET 2.SUB VSM 3.IF V/С Управление меню: Нажать 1, 2 или 3 PICTURE ADJUST - ВЫБОР ПУНКТОВ В МЕНЮ +PICTURE ADJUST - ИЗМЕНЕНИЕ ПУНКТА -PICTURE ADJUST - --- // --- DYSPLAY- ВЫЗОВ МЕНЮ НА ЭКРАН OFF TIMER- СОХРАНИТь ИЗМЕНЕНИЯ SYSTEM CONSTANT MUTE - СОХРАНИТь ИЗМЕНЕНИЯ MUTE - ВЫХОД ----- * LG МСбЧ и МС84 Вход: одновременно нажать ОК на дистан- ционном управлении и на панели телевизо- ра. ----- * MAGNAVOX Вход: 1. нажмите на пульте следующую комбина- цию: [0], [6], [2], [5], [9], [6]. Каналы будут изменятся. 2. нажмите MENU Внимание! Это работает только на *SOME* Magnavox телевизорах. Выход: кнопка POWER на телевизоре. ----- * MITSUBISHI СТ-21M5EETRT, СТ-25M5EENETETNRTRTN Вход: нажать на сарвисный переключатель S701 (рядом с тюнером), затем кнопку 9 (в пределах 5 сек). "*" - переключение регулировочного дис- плея; "2" - "8" - регулировка кода; "6" - "4" - регулировка данных; "0" - запись в память; "1" - отмена изменений до записи в па- мять. Выход: stand by. ----- * MITSUBISI СТ-29B3EEST Вход: включите питание. Нажать на сервис- ный переключатель S701 (рядом с тюнером), затем кнопку 9 (в пределах 5 сек). Запись - кнопка 4. Кнопки 2 и 0 меняют код регу- лировки, кнопки 5 и 7 меняют значение данных. ----- * NOKIA 6364, 7364 CHASSIS 2В-F (шасси EVROSTEREO 2В-F) Вход: 1. (-/--) 2. (MENU) 3. (TV) -- все в течении 1 секунды. Запись результата -- МЕМО. Выход: off с пульта. ----- * NOKIA, SELECO, SABBA ITT, TELEFUNKEN (шасси STEREO PLUS) Вход: 1. (mute) 2. (ОК) 3. (tv), запись результата "ОК" Выход: TV ----- * PANASONIC (шасси MX-3, MX-ЗС) Гостиничный режим: 1. На ДУ - off timer, на панели СН. UP - включено. 2. На ДУ - off timer, на панели - VOL.- выкл. Вход: одновременно нажать RECALL на ДУ и - VOL. на панели. Выход: дважды нажать NORMAL на ДУ. ----- * PANASONIC ТС-29V5OR CHASSIS MX-2A Вход в режим подстройки: нажмите на кноп- ку сервисного переключателя S1101 (рядом с переключателем "центровка"). На экране появится надпись СНК. Кнопка S1103 (FUN) - выбор необходимой регулировки. Выход: нажмите S1101. ----- * PANASONIC ТХ-21AD2С, ТХ-29A3C, ТХ-25A3C CHASSIS EURO-2, EURO-1 Установите BASS регулятор нижних звуковых частот на максимум, TREBLE регулятор вер- хних звуковых частот на минимум. Нажмите кнопку F на панели телевизора одновремен- но с кнопкой REVEAL на пульте. ----- * PHILIPS 2SPT8303 Вход: одновременно нажать "?" и "sleep" под крышкой. ----- * PHILIPS 1ЧРТ-134243, 1ЧРТ-1352 0 1 05 71139, 1ЧРТ-1542 143, 1ЧРТ-1552 00 1 511, 2ОРТ-134243, 2ОРТ-154243, 21РТ-153258, 21РТ-154243, 37ТА-1232 3, 37ТА1432 3, 37ТА146218, 37ТА147318, 52ТВ-245219, М-2052 0 1, М2152 0 7 15, М2182 0, М2192 5 CHASSIS L6, 1AA Вход: 1. С помощью сервисного пульта модель RC7150 нажать кнопки DEFAULT или ALIGN, или: 2. Закоротить контакты S1 S2 на процессо- ре (контакт 14 IC7600). Выход: кнопка STAN-ВУ. ----- * PHILIPS 1ЧРТ-118A50B67R94R, 1ЧРТ132A50B50R75R, 1ЧРТ133A162R, 1ЧРТ137A162R, 1ЧРТ138A5ЧR58Т67R71R 74R75R93S, 2ОРТ188A50B67R73R, 2ОРТ120A78R, 2ОРТ132A75R, 2ОРТ137A62R, 2ОРТ138A5OD58R58Н58R67R71R73R74R 75R94R97R. шасси L7,1A/AA 1. С помощью спецсервисного пульта (DST), или 2. Закоротить сервисные контакты М24, М25 на печатной плате (РСВ) и включить пита- ние. Выход: нажать stand by. ----- * PHILIPS Anubis SDD Вход: замкнуть контакты М31 и М32 (земля) рядом с IC7710. Выход: STAN-ВУ. ----- * PHILIPS 25РТЧO0/42, 25РТЧ10A/42, 28РТЧO0A/42, 28РТЧ50A/42. CHASSIS GR2.2AA. Вход: 1. Замкнуть контакты М33 и М34 (service). 2. Нажимая клавишу INSTALL на лицевой па- нели включите сетевой переключатель. Выход: клавиша STANDBY. ----- * SAMSUNG CK5O38 ZRTBWCX (шасси SCT11В) СКб202 СК7202 (шасси SCT12В). Вход: 1. (stand by) 2. (р. std) 3.(Help - ?) 4. (sleep) 5.(poWer оп) Выход: STATUS или HILDDEN. ----- * SAMSUNG CS7272 PTRBWX CHASSIS SCT 51A, CS-721, CS-723 Вход: 1. (picture off) 2. (sleep) 3. (р. std) 4. (mute) 5. (picture оп) Выход: off - питание. ----- * SAMSUNG TVP3350, TVP5050, TVP5350 (моноблок) CHASSIS: SCV11A. Вход: Stand-Ву Р. Std Menu Sleep PoWer Оп ----- * TV Самсунги. Одна из комбинаций должна подойти: Вариант 1: скрытая кнопка на пульте (HID- DEN); Вариант 2: StandBy - Р.STD - Help - Sleep - PoWer-Оп; Вариант 3: PICTURE OFF - SLEEP - Р.STD - MUTE - PICTURE ON. ----- * SCHNEIDER c шасси DTV 3, DTV 4 Вход: 1. Включить сетевую кнопку. 2. Удерживая на ДУ (remote control 204) одновременно нажатые красную и синюю кнопки в течении ровно 5 сек, не отпуская их, нажать на TV одновременно кнопки громкость+ и СН-. Комбинацию набирать чётко, выдерживая строгий временной ин- тервал. Выход: выключить питание. ----- * SHARP 54AT - 15SC 1. PoWer off. 2. Vol -- одновременно СН+ на панели. 3. PoWer ON на панели и удерживать п. 2, пока не запустится. ----- * SHARP VT-1428М, VT-2128М Вход: 1. Установите телевизор в дежурный режим. 2. Нажмите СН UP в течение 2 или более секунд и одновременно нажмите кнопку РО- WER. Выход: кнопка MENU. ----- * SHARP 1ЧD-SC, 1ЧВ-SC, 2ОВ-SC, 1ЧD-СМ, 21D-СК1, CV-2132СК1 CHASSIS PAL-A. Установите переключатель S1008 в позицию сервистного режима. ----- * SHARP 1ЧR-SC/М8/М10, 1ЧR-W, CV-1ЧRU Установите переключатель S1006 в позицию сервистного режима. ----- * SHIVAKI CHASSIS 11АК19 Вход: 1. клавиша INSTALL 2. на пульте в следующей последователь- ности 4, 7, 2 ,5. Все регулировки меняют- ся через ADJUST. ----- * SONY KV-2170, 2180, 2540 шасси ВЕЧ Вход: 1. (?) 2. (5) 3. (+ громкость) 4. (tv) затем MENY Выход: (00) ----- * SONY KV-Е2551ABEK, KV-S29 JN1MN1 SN1, KV-SЗЧ JN1MN1SN1 , KV-S2941A (шасси АЕ-2В) Вход: 1. Нажать одновременно две кнопки на па- нели любые, затем MENY на ДУ типа RM-831. 2. ОК - запомнить данные. (регулировать по таблице). Выход: off - питание. ----- * SONY 25М1К KV-М1440, KV-М2171, KV-М2181 KV-М2101 Вход: 1. TV в STAND ВУ 2. на пульте нажимаешь DISPLAY 3. -/- 5 4. -/- VOL+ 5. -/- POWER Далее нажимаешь на пульте кнопку MENU и попадаешь в 4 подменю: 1. SAA 7283 00 00 00 00 00 все с подсказками на анг. языке. 2. TDA 8366 1 13 98 геометрия, цвета, яркость и т.п. Запись значений MUTING - исполнение 2 раза "0" Данные даны для пульта типа RM-836. ----- * SONY KV-S2941ABDK, KV-S2942U, KV-S2943Е SHASSIS АЕ-2F Включите питание телевизора, а затем дважды нажмите на кнопку ВКЛ на ДУ. В правом верхнем углу появится надпись ТТ, затем нажмите на кнопку MENU. ----- * SONY KV-S2952 KR CHASSIS АЕ-3 Используйте пульт типа RM-831. Включите питание телевизора, одновременно нажимая кнопки - и + на передней панели телевизо- ра. ----- * SONY KV-G21М1G21Р1G21S11, KV-Т21М1Т21MF1Т21MN1Т21MN11 Вход: нажать сочетание кнопок на пульте 1(UP) 4(DOWN). Нажмите кнопку MUTE для вызова экрана WRITE (зел.) нажмите клави- шу 0 для ввода в память. Выход: нажмите 2 раза на кнопку POWER. ----- * TOSHIBA 2150 (шасси - S5E) Вход: 1. (mute) 2. (вновь нажать MUTE и не отпускать) 3. (нажать MENY на TV) "4" - коррекция контраста. "1", "2", "3" - отсечка R,G,В "AV" - выбор тестового сигнала., "-- громкость + " - регулировка. Выход: off - питание. ----- * BRANDT, FERGUSON, NORDMENDE, SABA, TELEFUNKEN, THOMSON (CHASSIS ICC9,ТХ-90,ТХ-91) Вход: 1. Stand by - с ДУ 2. Выключить сетевой кнопкой. 3. Удерживая на пульте ДУ кнопку телетек- ста (голубая) - включить сеть. 4. После включения телевизора, отпустить телетекст. 5. Если не сработает, то в п. 4 кнопку телетекста отпустить и снова быстро крат- ковременно нажать. Внимание! Вход в сервистный режим возмо- жен при отсутствии каких либо сигналов на скарте. Выход: кнопка stand-by. ----- * VCR Panasonic NV-SD205 Технологический режим в сабже - [FF]+[REW]+[EJECT] согласно документации. Этими же кнопками, удержанными на 5 се- кунд, сбрасываются все ошибки. ----- * VCR PANASONIC AG-4700BY бытовых 800, 950, 1000 Одновременное нажатие перемотки вперед, назад, и выброса кассеты. ----------------------------------------- ОПИСАНИЕ ПРИНЦИПИАЛЬНОЙ СХЕМЫ И МЕТОДИКИ ВОССТАНОВЛЕНИЯ КИНЕСКОПОВ (С) Андрей Абакушин 2:5020/1630.12 ----------------------------------------- Принцип восстановления кинескопов ос- нован на термотренировке его катода(ов) и отстрела отработанных частиц с поверхнос- ти катода. Из всего вашесказанного со- бираем прибор для восстановления кинеско- пов. НЕОБХОДИМЫЕ ДЕТАЛИ: Трансформатор Т1 - можно использовать любой силовой трансформатор из телеви- зора. Подойдет даже от старого лампового. Напряжения на обмотках трансформатора: 7-8 - 6,3В 6-8 - 8В 5-8 - 11В 3-4 - напряжение, полученное после вы- прямления, должно составлять 150-200В. Диод VD1 - можно исползовать любой выпря- мительный или КД226 (можно поставить ди- одный мост). Поскольку напряжения 8 и 11В у таких транформаторов отсутствуют, то трансформатор необходимо домотать, чтобы получить эти напряжения. Конденсатор С1 - К50-(?) 1Oмкф 450В; Переключатель SA2 - типа П2К без фиксато- ра; Переключатели SAЗ.1, SAЗ.2, SAЗ.3 - трех- секционный переключатель типа П2К с фиксатором (т.е. это три П2К соеди- ненных вместе одни креплением, для тех кто не понял объясняю , напри- мер, кнопка SAЗ.1 нажата, а SAЗ.2 и SAЗ.3 отжаты. Нажимаем SAЗ.2 - кнопка SAЗ.1 должна выскочить.); Резистор R1 - типа МЛТ 20 Ом 2Вт; Переключатель SAЗ.1 показан в положении нажат (подается накал 6,3В); Переключатели SA2 , SAЗ.2 , SAЗ.3 - отжа- ты.
Прежде, чем подключать прибор к кинес- копу проверьте несколько раз правильно ли вы его собрали. Проверьте - правильно ли переключается напряжение накала кнопками SAЗ.1, SAЗ.2, SAЗ.3. При нажатии кнопки SAЗ.1 накал должен быть 6,3В, при нажатии SAЗ.2 - 8В, SAЗ.3 - 11В. Конденсатор дол- жен заряжаться от напряжения 150-200В. Лучше сто раз проверить, чтобы не испор- тить кинескоп. Прибор можно доработать подключив к нему амперметр, чтобы контролировать токи восстанавливаемого кинескопа. Провода, на которых написано "к като- ду" и "к модулятору" подключить соответ- ственно к более изношенной пушке кинеско- па. МЕТОДИКА ВОССТАНОВЛЕНИЯ: Необходимо подать на кинескоп накал раз- ной величины в следующей последователь- ности: 1. а) Подать на кинескоп накал 6,3В и дать прогреться в течении 15 минут. б) Подать 8В на 2 минуты. в) Подать 11В на 2 секунды. 2. Подать 6,3В и нажать на кнопку SA2, тем самым разрядив конденсатор на катод- модулятор. Эту операцию повторить 1-2 ра- за. Затем подключить провода "к катоду" и "к модулятору" к другой пушке и повторить пунк 2. Менять накал при этом не следует. Переключать эти провода лучше при помощи такого же переключателя типа П2К как и исползуемый при переключении накала (на схеме не показан т.к. было лень его рисо- вать). Восстановленного кинескопа может хва- тить на срок от 1 дня до примерно 1-1,5 года. Все зависит от типа кинескопа и насколько он уже выработал свои ресурсы. Примеры из практики: (только цветные ки- нескопы, т.к. ч/б не занимаюсь). Лучше всего поддаются восстановлению кинескопы 61ЛКЧЦ. Немного хуже 51ЛК2Ц И уже совсем плохо 32ЛК2Ц и 32ЛКЗЦ. Один человек спрашивал у меня схему прибора для восстановления кинескопа 31ЛКЧБ. Отвечаю что конкретно этот прибор для ее востановления не подойдет, т.к. этот кинескоп имеет накал 12В. Также продлить срок службы подсевшего кинескопа можно уменьшив напряжения на катодах или увеличив ускоряющее напряже- ние. Если кинескоп уже настолько сел что не поддается восстановлению, то остается последний самый критичный вариант - уве- личить накал. Но после этого кинескоп ся- дет до конца очень быстро (от нескольких дней до нескольких недель).![]()
Другие статьи номера:
Похожие статьи:
В этот день... 21 декабря