|
Oberon
#04
28 ноября 1997 |
|
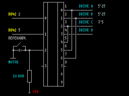
Железо - подключение к Спектруму 3'5 дисковода.

М.М.A/SPEED СО. Вы заметили, как подорожали в последнее время любимые нами "пятидюймовые" диски ? А... В вашем городе их вообще в продаже нет! Кризис, кризис наспупает..... Вот в таких условиях неизбежно медленное, но верное переползание на "трёхдюймовые" диски и дисководы. Схемы подключения этих прекрасных девайсов уже неднократно описы- вались в литературе, но всё ещё есть неко- торые неосвещённые, "околотрёхдюймовые проблемы". Одну из них проясняет ниже наш корреспондент. ------------------------------------------ ╔=====================================╗ ║ УСТАНОВКА FDD 3.5' ║ ╚=====================================╝ Если Вы читаете газету ONLINE, то заме- тили, что во многих городах Союза на SPECTRUM начали ставить FDD 3,5'. Недавно, около месяца назад, я поставил себе такой флоп. Впечатления колоссальные! По поводу работы FDD 3,5': 1.Работает с дисками 72Okb и 1,ЧЧmb (с заклеенным окном высокой плотности). Пока у меня не было ни одного сбоя на этих дис- ках (NASHUA MF2-DD 72Okb, TDK HD 1,ЧЧmb). 2.Хотя скорость вращения такая же, как и у 5,25, но считывает по-моему чуть по- быстрее. 3.Диски не мнутся,не гнутся (если только не кусать). 4.Требуется только +5v для питания. 5.Хочется верить, что возможно скоро по- явится новая прошивка TR-DOSa,поддерживаю- щяя режим высокой плотности 1.ЧЧmb [OBN: Думается, этого не произойдёт, т.к. дело тут не только и не столько в прошивке.] На своём PROFI 3+ я столкнулся только с одной проблемой. Некоторые программы,запу- щенные с дисковода В , в процессе работы обращаются к дисководу A. И если Вы поста- вили 3' на В или C ,то с него Вы не сможе- те запустить многие программы (в частности большинство отечественных разработок, имеющих нестандартный формат или фирменную защиту!). Да и в случае,если у вас внезап- но откажет дисковод A, вам будет достаточ- но неудобно постоянно выполнять команду TR-DOS A>*"b" для перехода на работающий дисковод. Выход такой: надо ставить переключатель, чтобы можно было сменить на диске А FDD 5,25' или 3,5'. По приведённой ниже схеме на PROFI нужны только один тумблер и три перемычки. ╔===╦======╦======╗ ║▒▒▒║ ВКЛ. ║ ВЫКЛ.║ ╠===╬======╬======╣ ║ A ║ 5.25 ║ 3.5 ║ ║ ║ ║ ║ ║ В ║ 5.25 ║ 5.25 ║ ║ ║ ║ ║ ║ C ║ 3.5 ║ 5.25 ║ ╚===╩======╩======╝На многих компьютерах выход на диск вы- полнен на К1SSЛН2(ЛА13). В таких случаях переключение можно сделать,как показано на схеме (схема приведена для SCORPION). Аналогично поступаем и в случае с PENTAGON'ом. Переделка состоит в установке тумблера, сопротивления и микрухи К1SSЛПS. DDб5 5 4┌--┐ DDб8 5SSЛА13 -┬---X-----┬--┤ЛА│6 1┌--┐ │ │ 5│ О-----------┤ЛА│3 A │ ┌--┐ ├--┤13│ 2│ О---- └-┤ЛП│ │ └--┘ ┌--┤13│ │ ├----┤ MOTOR │ └--┘ ┌-┤ 5│ │ -------┤ │ └--┘ │ │13┌--┐ │ / │ └--┤ЛА│11 В ├---/ -┐ │ 12│ О---- ┌┴┐ │ └-----------------┤13│ │ │ -┴- └--┘ │ │ 10 Ком └┬┘ │ │+5v По поводу доработок к таким компьюте- рам, как SCORPION, PENTAGON, PROFI, АТМ и др. вы можете обратиться лично ко мне по воскресеньям на Книжный Рынок города Сама- ры (на территории Ипподрома). Юдин Игорь Ст.Загора 92-34 -════════════════════════════════════════- * * * * LAST EDITION: 21.05.97 MUSIC ВУ : VISUAL/MS/XTM
Другие статьи номера:
Похожие статьи:
В этот день... 21 декабря